探测温度测量电路原理
QooIC.com 新闻出处:电子市场 | 发布时间:2010/12/29 14:40:10
电路组成与功能
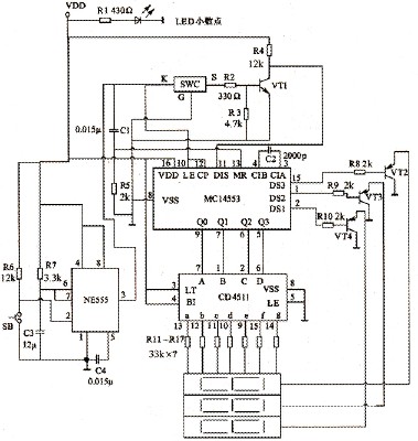
如图1所示是由BCD-7段锁存/译码/驱动器CD4511、NE555时基电路、三位动态扫描计数器MC14553以及数字式传感器SWC等组成的温度测量电路,该电路可广泛用于家庭或办公室等环境的测温。

图1温度测量电路
工作原理
该电路包括温度采集电路、计数电路、单稳态定时电路与译码显示电路四部分。
(1)单稳态定时电路。由NE555时基电路与R6、田、C3等组成。产生的闸门脉冲信号一路加至SWC的控制线K上,另一路加至3位BCD码计数器的10,12脚。
(2)温度采集电路。由SWC与三极管VT1组成。SWC是一种三端器件,包括控制线K、信号线s和公共线G,当SWC的K级加入闸门脉冲信号后,就能输出串行脉冲。
(3)计数电路。主要以MC14553为核心组成。当其计数端为高电平状态时,MC的12脚标准脉冲不能加入,NE555的输出经C1、R5后,产生一个正脉冲加至计数器的复位端R,使其复位清零。同时,MC14553解锁,开始对数字式传感器SWC输出的标准串行脉冲进行计数,等11脚再输入高电平时,计数器又闩锁,同时10脚也为高电平,计数器的数据锁存。
(4)译码显示电路。由译码器CD4511以及数码管组成。将计数器输出的BCD码译成能够驱动数码管显示的驱动信号。
电路开始工作后,振荡器产生的闸门脉冲电压一路使计数器发生复位清零,另一路加至数字式温度传感器SWC的K端,输出的串行脉冲经VT1进行放大后加至MC14553的计数端,输出的脉冲个数即为温度量。计数后输出的BCD码连接到译码器CD45 I I的输入端,对其进行译码操作,并直接驱动数码管将结果显示出来。