基于LM317的可调直流稳压电源
QooIC.com 新闻出处:电子市场 | 发布时间:2010/12/24 14:43:50
0. 引言
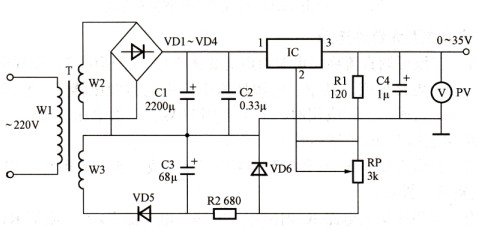
LM3l7是具有TO-220、TO-3、TO-202和TO-39等多种封装的三端可调稳压集成电路,该芯片具有输出电压可调、性价比高、工作稳定等特点,广泛应用于音响前级电路、精密电路和电子制作等对电源精度要求较高的领域。利用LM317构成的可调直流稳压电源典型电路如图8-2所示,该电路输出电压范围为0~35V,输出电流为IA,适用于小功率家用电器用电。

图1 利用LM317构成的可调直流稳压电源
1.电路结构及主要元器件选择
由图1可知,该可调直流稳压电源由电源输人电路、负压辅助电源电路和稳压输出电路组成。其中,电源输入电路由电源变压器T、整流二极管VD1~VD4和滤波电容C1、C2组成。实际应用时,T常选用lOW、二次电压为35V和6V的电源变压器;VD1~VD4均选用IN4007型硅整流二极管。
负压辅助电源电路由T的W3绕组、整流二极管VD5、滤波电容C3、电阻器R2和稳压二极管VD6组成。实际应用时,VD5选用IN4007型硅整流二极管;VD6选用1W、1.25V稳压二极管。
稳压输出电路由三端可调稳压集成电路IC及电阻器RI、电位器RP、电容器C4和电压表PV组成。实际应用时,IC选用LM317型三端可调稳压集成电路;RP选用合成膜电位器;PV选用0~50V直流电压表。
2. 工作原理
电路通电后,交流220V电压经T降压后,在其二次绕组W2、W3上分别产生交流35V电压和交流6V电压。其中交流35V电压经VD1~VD4整流、C1和CZ滤波及LM317稳压后输出。交流6V电压经VD5整流、C3滤波、R2限流及VD3稳压后,产生—1.25V电压,通过RP加在LM317的控制端上。
当电网电压波动或负载减小引起输出电压降低时。通过由电阻器RI和电位器RP组成的取样电路使LM317控制端电压发生相应变化,通过IC内电路处理后,可使其输出端输出电压增高,反之则使L317输出电压降低,从而实现稳压的功能。
3.安装与调试
本例介绍的可调直流稳压电源由于采用技术成熟的三端稳压集成电路技术,故外围电路简洁,一般只要通过简单调试即可通电正常工作。进行安装时,常将焊接好的电路板置于自制的塑料盒中,并通过专用传输线与通用标准电源插孔连接即可。通电工作时,调节RP的阻值,可使IC的输出电压在0~30V之间变化。