基于ASK调制模式的TPMS设计方案
QooIC.com 新闻出处:电子市场 | 发布时间:2010/12/1 18:16:18
概述
汽车胎压监视系统(Tyre Pressure Monitoring System,TPMS)是一种能对汽车轮胎气压、温度进行自动检测,并对轮胎异常情况进行报警的预警系统。当轮胎发生漏气、过压、温度过高等危险情况时,TPMS能及时告知驾驶员采取措施将事故消灭在萌芽状态。由于幅移键控(Amplitude-Shift-Keyed,ASK)信号调制模式具有功耗低、灵敏度高以及成本低的优点,我们选用基于ASK调制模式的MAX1473和MAX7044作为收发芯片,设计完成了一种新型胎压监测系统。
系统描述
胎压监测系统组成如图1所示,在每个车轮轮毂上安装一个轮胎压力传感器,它能够准确测量轮胎内部的压力和温度。传感器通过无线形式按照一定的规律向胎压控制器发送轮胎的压力值、温度值。驾驶员通过显示屏获得每一个轮胎的压力值、温度值。当某一个轮胎的压力值或温度值变化超过了报警阀值时,胎压控制器能够准确识别轮胎的位置,并且发出图形、声音、文字报警。
胎压监测系统组成如图1所示,在每个车轮轮毂上安装一个轮胎压力传感器,它能够准确测量轮胎内部的压力和温度。传感器通过无线形式按照一定的规律向胎压控制器发送轮胎的压力值、温度值。驾驶员通过显示屏获得每一个轮胎的压力值、温度值。当某一个轮胎的压力值或温度值变化超过了报警阀值时,胎压控制器能够准确识别轮胎的位置,并且发出图形、声音、文字报警。

图1 胎压监测系统组成图
系统硬件方案设计
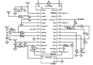
该TPMS系统包括两种硬件模块:轮胎压力传感器和胎压控制器。笔者以基于ASK调制模式的MAX1473和MAX7044作为无线收发芯片,设计了轮胎压力传感器和胎压控制器的硬件结构,如图2所示。收发无线信号调制频率为433.92MHz。
该TPMS系统包括两种硬件模块:轮胎压力传感器和胎压控制器。笔者以基于ASK调制模式的MAX1473和MAX7044作为无线收发芯片,设计了轮胎压力传感器和胎压控制器的硬件结构,如图2所示。收发无线信号调制频率为433.92MHz。

图2 TPMS系统硬件模块框图
1 MAX7044射频应用设计
发射芯片是无线轮胎压力传感器的核心部分。由于轮胎压力传感器安装在轮毂上,采用能量有限的锂电池供电,因此发射芯片的选型需具有以下两个特点:
● 功耗低,支持ASK调制,有多种工作模式,便于根据具体工作状态进行功耗管理,以尽可能延长监测模块的工作寿命;
● 芯片最小可工作电压低,发射功率足够大;
根据以上特点,并经过分析比较,我们最终选用了MAX7044这款性价比高的发射芯片。MAX7044是MAXIM公司生产的300MHz~450MHz频率范围内ASK调制芯片,最大输出功率+13dBm(50Ω负载),电源电压最低2.1V工作。应用电路如图3所示,主要包括电源去耦电路、晶振电路和天线匹配电路三部分。由于RF芯片对电源的噪音非常敏感,恰当有效的电源去耦电路能很好的抑制噪音,提高可靠性,因而靠近3V电源引脚配置了去耦电容C5。MAX7044常用调制频率有315MHz和433.92MHz两种,不同调制频率所选用的晶振也不同。若调制频率为315MHz,那么外部晶振频率G1应为9.84375MHz,输出频率CLK-OUT为615.2kHz;若调制频率为433.92MHz,那么外部晶振频率G1应为13.56MHz,输出频率CLK-OUT为847.5kHz。输出频率CLK-OUT用于给压力温度传感器SP30内部的MCU提供操作时序。L1、L2、C1、C2和C3组成了天线匹配网络,通过优化这些参数可以将特定阻抗的天线匹配到MAX7044功率放大器的输出阻抗125Ω,以抑制谐波,提高天线的效能。本设计采用气门嘴作为天线,通过软件仿真和反复测试验证,最佳匹配电路如图3所示。

图3 MAX7044应用电路
2 MAX1473射频应用设计
因为胎压控制器直接从车载电源取电,对功耗的要求不是很严格。而由于胎压控制器安装于车厢内,考虑到车身对无线信号的屏蔽效应,在选择射频接收芯片时高灵敏度成为非常重要的因素。此外,与FSK(frequency-shift-keyed,频移键控)制式的接收芯片相比,ASK制式的接收芯片具有更高的灵敏度,成本也较低。因此,我们最终选用MAXIM公司的超外差接收机MAX1473来完成胎压监测数据的可靠接收,其应用电路如图4所示。MAX1473具有-114~0dBm的信号输入范围,调制频率范围300~450MHz,接收数据速率最大为100kbps,内部集成了低噪声放大器、全差分镜频抑制混频器、带压控的片上锁相环、10.7MHz中频限幅放大器以及模拟基带数据恢复电路,只需少量的外部器件即可构成胎压接收器的射频前端。

图4 MAX1473应用电路图
MAX1473外围电路主要包括三部分:LNA调谐电路、输入匹配和晶振电路。LNA调谐电路由连接在LNAOUT引脚的L2和C9组成,谐振频率 。其中,LTOTAL和CTOTAL包括L2、C9以及PCB板引线、封装引脚的寄生电感和电容,混频器输入阻抗和LNA输出阻抗。为了提高灵敏度,谐振频率需尽可能接近所希望的RF输入频率。在本设计中,RF输入频率为433.92MHz,当L2=15nH,C9=3.0pF时,接收灵敏度最高。
LNASRC引脚与参考地之间的外部电感L3用于改善芯片外部的电感效应,并将LNAIN输入阻抗的实部设置为50Ω。这时LNA的输入端等效于一个50Ω电阻与一个2.5pF电容串联,输入阻抗为: 。当RF输入频率为433.92MHz时,Z=50-j145。为消除输入阻抗的虚部,匹配50Ω天线,可算出匹配电感L4约为73nH。对于315MHz系统,晶振G1频率为4.7547MHz;对于433.92MHz系统,晶振G1频率为6.6128MHz,串联电容C1、C2用于修正因电路板寄生电容导致的晶振频率偏移。
系统软件方案设计
如何节能是轮胎压力传感器模块软件设计的关键问题。一个传感器模块要在一节几百毫安时的电池下工作2~5年,而射频发送数据帧时耗电最大,因此在保证数据传输正确的前提下应尽量减少发送次数。发射模块软件流程如图5所示,本设计采用了基于素数的动态时延算法,即各轮胎上的传感器模块在完成温度、压力的测量以后,分别按1000ms×N1(N1为小于20的随机素数)延时后再将数据发送出去。与采用固定周期的延时算法相比,这种动态时延算法能大大降低数据发送冲突的概率。此外,如果传感器检测到轮胎静止超过1小时,则会自动进入休眠模式,即不再发送数据,直到被加速度信号唤醒。胎压控制器即接收模块的软件流程如图6所示。
如何节能是轮胎压力传感器模块软件设计的关键问题。一个传感器模块要在一节几百毫安时的电池下工作2~5年,而射频发送数据帧时耗电最大,因此在保证数据传输正确的前提下应尽量减少发送次数。发射模块软件流程如图5所示,本设计采用了基于素数的动态时延算法,即各轮胎上的传感器模块在完成温度、压力的测量以后,分别按1000ms×N1(N1为小于20的随机素数)延时后再将数据发送出去。与采用固定周期的延时算法相比,这种动态时延算法能大大降低数据发送冲突的概率。此外,如果传感器检测到轮胎静止超过1小时,则会自动进入休眠模式,即不再发送数据,直到被加速度信号唤醒。胎压控制器即接收模块的软件流程如图6所示。


图5 发射模块软件流程 图6 接收模块软件流程
性能测试
本设计方案已在某型号产品上得到应用,经反复测试具体性能指标如下:
● 可监测胎压范围为0~3.5Bar,分辨率25mBar,通常轿车的轮胎气压在2.2~2.8Bar之间;
● 可监测温度范围:-40~120℃,分辨率2℃,轿车的轮胎温度一般在75℃左右;
● 轮胎压力传感器发射功率用频谱分析仪测得在-45dBm左右,胎压控制器接收灵敏度在-100dBm左右;
● 采用500mAh的电池,若每天正常行车12小时,发射模块可正常工作5年以上。
小结
轮胎压力监测系统是汽车安全系统必备的功能之一,对保护驾驶者的行车安全具有非常重要的作用。笔者基于ASK信号调制模式功耗低、灵敏度高以及成本低的优点,选用MAX1473和MAX7044设计实现了一种新的无线胎压监测系统,该系统工作稳定可靠,具有很好的市场前景。
轮胎压力监测系统是汽车安全系统必备的功能之一,对保护驾驶者的行车安全具有非常重要的作用。笔者基于ASK信号调制模式功耗低、灵敏度高以及成本低的优点,选用MAX1473和MAX7044设计实现了一种新的无线胎压监测系统,该系统工作稳定可靠,具有很好的市场前景。