激光自动打靶之电转换电路
QooIC.com 新闻出处:电子市场 | 发布时间:2014/1/16 12:41:11
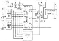
本文为激光自动打靶光电转换电路电路图。在练习者的枪上安装激光发射器,同时对靶面进行改造,其上布满光敏二极管构成的点矩阵,以使发出的激光射到靶面的光敏管上,经光电转换电路变为电信号,并由无线发射电路发送出去。
将运算放大器用作比较器,只要有激光照到光敏管上,光敏管电阻变小,运放V-电位低于V 电位,故输出端为高电平。对于50cm×50cm的胸环靶,为保证激光光斑射到靶上,并落到一光敏管上,应根据光斑大小布置两光敏管的距离,同时考虑报靶的精度小于光敏管的密度,可将多个光敏管作为一个报靶信号点。VD01、VD02两光敏管对应实际靶上的不同点,不管激光射到VD1或VD2,输出端均为高电平。但作为显示成绩它们是同一信号点。如下图所示。
