一款高性能的视频采集电路图
QooIC.com 新闻出处:21IC中国电子网 | 发布时间:2014/1/16 12:39:19
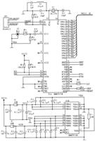
本文介绍的是一款高性能的视频采集电路。该系统选用的视频解码器为Philip公司的高性能视频A/D转换器SAA7111.该器件是一款广泛应用于桌面视频、多媒体、数字电视、图像处理、视频电话的高性能视频输入处理器件。该器件采用3.3 V的CMOS电路,高度集成模拟前端和数字视频编码器;包括2路模拟视频处理通道,1个时钟产生电路,1个自动箝位和自动增益控制电路,1个多制式数字解码器,1个亮度/对比度/饱和度控制电路,以及色彩空间矩阵。SAA7111输出为16位VPO总线,支持不同位宽的数据输出格式。SAA7111支持的输出格式包括:12位YUV411,16位YUV4:2:2,8位CCIR-656、16位565RGB以及24位的888RGB.如下图所示。
