可自动调节的医用呼叫接收器电路图
QooIC.com 新闻出处:电路图共享 | 发布时间:2013/12/26 14:14:54
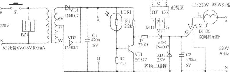
如下图所示为一款可自动调节的医用呼叫接收器电路图。该接收器可避免遗漏病人的求助声音,在白天,只有接收器本身工作,照明灯部分则自动切断。在夜里接收器和照明信号可同时随病人的请求送出。呼叫开关按下时,变压器X1初级也同时与交流电源接通,次级电压经整流、滤波后,其输出直流电压经R1送至VT1集电极。如果在白天,因受光线照射,光敏电阻LDR1呈低阻状态,VT1导通,其集电极拉至地电位,因此晶闸管BT136不工作,这时只有呼叫铃声可以听到,照明信号则处于无效状态。在夜间,LDR1因黑暗而呈高阻状态,因此在S1按下后,VT1截止,使滤波后的正直流电压可经R1和R3对晓充电。VD3的作用可使恒定的直流正偏压触发BT136,从而使白炽灯L1发光,因此在夜问既可听到铃声,又可看到求助的照明信号。齐纳二极管ZD1用来限制C2两端的电压维持在设定的稳定值。
