首页
价格行情
技术资料
库IC,一站式IC采购平台
IC库存
非IC产品
PDF资料
热门:
830AS15070
IRFF9232
CA3227M
DF13-6P-1.25DSA(50)
HOA0901-011 PBF
A197E
STK621-300
03452QS7X
当前位置:
首页
>
技术资料
> 自制的宽带视频放大电路图
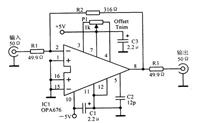
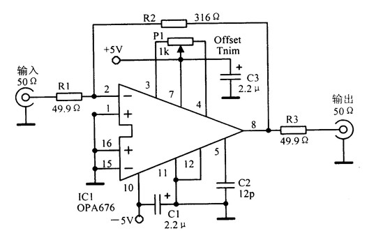
自制的宽带视频放大电路图
QooIC.com 新闻出处:实用电子制作 | 发布时间:2013/12/25 13:51:45
本文将为大家介绍为一款自制的50Ω输入、输出阻抗16dB宽带视频放大电路图。如下图所示
【关闭】
【推荐】
【打印】
【收藏此页】
热门产品
MBI5026
|
SPW47N60C3
|
LM358
|
MBI5042
|
78F9116
|
IRF9540
|
SPW20N60C3
|
L7812CV
|
TH8056KDCA
|
L7581BAE
|
ADP31890001CPZR
最新技术资料
上拉下拉电阻的选型和设计计算
开关电源设计,何时使用BJT?
IP Camera远程监控系统的设计与实现
恒照度自适应调光的LED驱动器设计
HDMI Dongle解决方案
CPRI基带数据的低损耗压缩
用触发和同步数字化仪来采集正确的数据
双核实时系统的架构方法
技术演进版本LTE-A对比LTE有何优势
FPGA开发流程:详述每一环节的物理含义和实现目标